跳转到主要内容

2022年企业内训第一课:住建部专家讲授资料员填写要点


1月15日,在北京城建北方集团新落成的总部大楼会议室,一场不同寻常的培训课程如火如荼进行。来自国家标准化委员会、住建部专家库专家,北京某集团企业总工亲临北方集团二级公司机电设备公司讲授《机电安装资料员实操》课程!

1

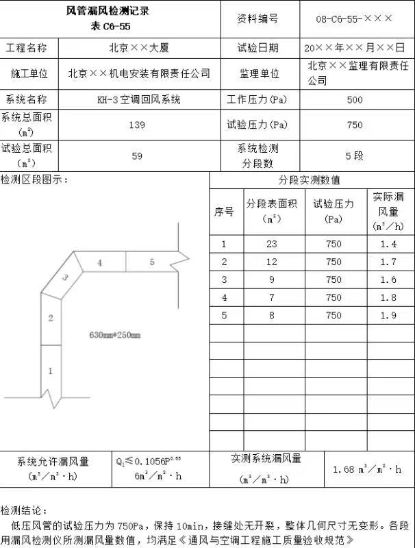
本次课程围绕建筑电气、给排水采暖、通风空调、消防工程等四个模块,分六个章节做了细致的讲解,同时开展填写范例的具体描述分析,尤其是一线人员普遍关心的通风空调系统中漏风量的计算及表格填写等内容,做了详细指导,课程内容系统、丰富、实用性强,具有很好的提质增效作用!

1

1

课程结束后,开展了简短的问答交流,针对学员们提出的“不同规范、标准单位不统一”导致资料更改,重复等工作做了解答,最后进行了考核,形成分数统计,计入年度继续教育学习档案!

1

1

我们常说一个好的资料员相当于半个总工,一个总工却不一定能胜任一份资料员的工作,形象的强调了一个好的资料员必须具备多方面的技能,北方机电设备公司重视资料员工作,本身也可以看作是重视工程质量的一个表现,工程一但发生问题,可追溯的只能是资料,所以,现代建设施工企业必须重视施工过程中资料的收集、整理与归档!


大展培训学校微信公众号二唯码

关注《大展培训学校》公众号,获取最新建筑界最新动态

大展建造人才微信公众号二唯码

关注《大展建筑人才网》公众号,获取最新招聘、求职信息